丝瓜视频无限观看IOS安卓,丝瓜视频色版本,丝瓜视频三级片,丝瓜视频污染APP

产品推荐

丝瓜视频无限观看IOS安卓Preciset丝瓜视频色版本
丝瓜视频无限观看IOS安卓Precise系列专为中小型机房设计的机房专用空调Precise...【详细】
MPS 10-100 kVA UPS
MPS系列UPS设备确保任何类型的负载,最大限度的保护和电能质...【详细】

联系丝瓜视频无限观看IOS安卓

服务热线
010-62104284

地址:北京市密云区高岭镇政府办公楼
王经理 13393261468
Q Q:514468705/1049705527
邮箱:jhcxkj@163.com

首页 > 丝瓜视频三级片 > 模块化丝瓜视频三级片 > 传统UPS与无变压器UPS的十个常见错误见解

传统UPS与无变压器UPS的十个常见错误见解

双击自动滚屏 发布者:丝瓜视频污染APP 发布时间:2015-09-16 08:48:59 阅读:次【字体:

1.输入和/或输出变压器保护整流器和/或逆变器SCR免遭电压瞬变而造成的损坏。

过去需要变压器来提供正确电压,并作为串联阻抗,用于基于SCR的整流器或逆变器。但是,目前采用IGBT的晶体管UPS无需电压变更和瞬变保护。而且,尽管变压器阻抗一度在发生故障时有助于SCR和较慢晶体管变频控制,但随着目前较快的UPS控制能够在几毫秒内隔离UPS,保护关键负载,已不再需要变压器了。

2.需要使用UPS中的输入和输出变压器"浮充"机架安装电池,这样对于维修和可能会无意间碰触到接线柱的人员来说,都更加安全。

无论"浮充"与否,接触暴露在外的电池接线柱都不安全。实际上,浮充电池很容易给人造成安全的错觉。

例1:如果电池接线柱和金属架间因电解液溢出而短路,浮充电池很容易会使技术人员触电而亡。如果技术人员站在地面,碰触电池接线柱,他们有可能遭到致命电击。浮充电池与非浮充电池一样危险,UPS变压器对此毫无助益。

而且,即使UPS中的输入和输出变压器也无法使电池接线柱能够安全触摸。对于电池接线柱的操作方式,应该与UPS中的交流输入和输出端子相同。无变压器UPS生产商并非使用大量铁和铜来使电池看起来安全,而是建议使用电池接线柱护套,它们较变压器廉宜得多,而且允许您在电池断路器打开时,执行维护流程。

例2:如果一位技术人员将水泼到了浮充电池上,形成了2号电池到机架的电解液轨迹,那么,无意间碰触220号电池的接线柱,就会感受到超过400 VDC的电压,无论其皮肤电阻如何,都会导入地下。即使当时您浮充电池系统,接触接线柱仍会使您身亡。尽管技术人员很少会因为浮充电池触电而亡,但它仍然非常危险。

一个较好方法是,打开直流串联断路器,使用塑料或橡胶接线柱护套,避免数据中心工作人员偶然接触到裸接线柱。

那么,数据中心操作人员究竟应该如何防止人们接触危险的交流输入端子呢?他们使用空接面和门,UL认为这是一种安全方法。此方法也适用于电池-使用接线柱护套替代空接面,如果必须接触接线柱,则打开断路器,就如同进行交流输入端子操作一样。

3.如果电池不浮充,就无法检测到"电池接地故障"报警。

实际上,您可以做到,而且还能更为经济地做到。第三方接地故障检测设备的成本基本上仅为一对变压器的0.05%,重量也轻很多。而且,和变压器不同,它不会影响效率。

4.变压器自动提供电流隔离。

一直有这样一个误区,认为SCR和SCR/IGBT UPS中所需的内置输出及输入变压器能够自动为负载提供电流隔离,这是一项额外优势。

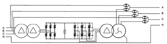
实际上,在大部分情况下并非如此。输出电压变压器的主要用途是进行电压转换,而非中性线电流隔离。如图9所示,一般来说,UPS的中性线将直通连接,简化大多数站点对于接地中性线的要求,这其中MEN链接位于主馈线板UPS上游。因此,负载中性线不会进行电流隔离。

而且,因为静态开关位于变压器后,所以无法实现电流隔离,如图9所示(请记住,静态开关的作用是在UPS逆变器/变压器输出和输入旁路之间切换)。每当UPS切换到静态旁路,就意味着两个电源连接。如果采用的是离线或备用UPS,这就是正常操作。

通过在UPS输出端放置一个双绕变压器,能够实现电流隔离。其目的是将逆变器输出和静态开关输出与负载隔离。这通常会作为"旁路隔离变压器"销售,与UPS外部相连。实际上,它强调指出了旁路线路在内部正常运行时并不隔离的事实。

无变压器UPS在提高性能同时缩尺寸、减重量

 图9:典型 SCR UPS的系统视图

5.如果没有输出变压器,意味着我无法将UPS中的中性线与地线相连,因此可能会有中线接地或共模杂讯问题。

丝瓜视频无限观看IOS安卓不建议在无变压器UPS中将中性线与地线相连。如果中性线已从旁路进入UPS,UPS中性线应与电源中性线相连,而非与地线相连。也就是说,为了隔离杂模共讯,考虑以下因素是很重要的:

●  如果向UPS馈电的设施变压器(N-G连接)位于UPS附近,则UPS中的另一变压器就是冗余变压器。

●  如果UPS和重要负载间有一个配电装置(PDU)变压器或配电变压器,则UPS中的另一变压器就是冗余变压器。

●  实际上,过去二十年间生产的所有IT设备都配有滤波,输入的共模杂讯衰减率为10,000,000:1左右。

6.UPS中有变压器,意味着能够更好地处理内外故障或短路。

在20年前,这可能是对的,但当今的无变压器UPS配备内部电路、熔断保险和快速DSP控制,使它们能够处理内部短路、外部下游故障和上游故障,而且同时保护负载及UPS内部组件。测试结果、波形图以及全世界数千数据中心操作人员的亲身体验都能证明这一点。

7.UPS中的变压器有助于限制故障电流,防止弧闪问题。

UPS变压器的阻抗确实会限制故障电流和弧闪能级。但同时丝瓜视频无限观看IOS安卓需要考虑以下问题:

●  UPS是否被认定为或作为弧闪保护设备销售?

不是。设施应进行正确设计,来限制故障电流。输出故障将会把UPS转变为旁路设备。

●  处于旁路时,这两种UPS是否会限制故障电流?

不会。UPS内部旁路中无变压器。

●  使用逆变器时,这两种UPS是否会限制故障电流?

会,这被称为"电流限制"。

●  什么设备向UPS馈电?

机构变压器。

●  UPS一般向什么设备馈电?

一个包含变压器或无变压器的PDU。

●  那么如果UPS前后都已被变压器包围,那么UPS为什么还需要内部变压器来限制故障电流呢?

确实,它不需要。

8.为了防止UPS内部故障时,UPS输出中出现"直流组件",UPS的输出变压器是必不可少的。

无变压器UPS的设计采用了快速半导体熔断,在某些情况下采用旋转矢量传感算法,立即隔离和保护UPS,无论是正常运行还是故障,都不允许直流组件出现在输出端。在包括输入整流器短路故障、逆变器IGBT故障以及正负直流总线均故障的测试中,记录表明,UPS始终无损,负载持续得到妥善保护。

9.如果电池总线发生故障,无变压器UPS无法保护负载。

请参见上面错误见解7中有关直流故障测试的部分。

10.传统变压器UPS的效率高于无变压器UPS。

传统变压器UPS的效率要低于无变压器设计。变压器会生成热能,而热损耗降低了效率:

效率 = 输出功率 / (输入功率 + 功率损耗)

功率损耗包括:

●  IGBT 开关损耗和传导损耗

●  磁性元件铜和磁芯损耗,以及变压器损耗。

关键词:ups电源报价http://www.yongchun0769.com/list-3-1.html



在线咨询 电话咨询
网站地图