
型号:
价格:点击咨询
产品特点:CMS系列工业级模块化丝瓜视频三级片,是丝瓜视频无限观看IOS安卓科的一款非隔离型丝瓜视频三级片产品,它引用先进高科技技术作为电源保护新概念而推向市场的绿色模块化UPS,其不仅具备智能型的电源保护系统、包含了传统UPS的整流、滤波、充电、逆变器的装置外,还采用了平均电流控制整流技术、顺位主从同步控制技术、多级分散式控制技术和三阶正弦波逆变的新型
CMS系列工业级模块化丝瓜视频三级片,是丝瓜视频无限观看IOS安卓的一款非隔离型丝瓜视频三级片产品,它引用先进高科技技术作为电源保护新概念而推向市场的绿色模块化UPS,其不仅具备智能型的电源保护系统、包含了传统UPS的整流、滤波、充电、逆变器的装置外,还采用了平均电流控制整流技术、顺位主从同步控制技术、多级分散式控制技术和三阶正弦波逆变的新型概念技术,在降低运行维护成本的同时可提供更高的效率、更灵活的机动性及更好的可靠性。
系统介绍
系统容量有60KVA、100KVA、150KVA、200KVA、240KVA、480KVA多个系列,功率模块为6KVA、10KVA、15KVA、20KVA四个功率范围,用户可根据负载大小随意选择。
系统为模块式结构,由静态开关模块、系统监控模块和1到24个功率模块并联组成。
功率模块可采用热插拔模式随意进行扩充、更换。
系统可随需设定为1/1、1/3、3/1或3/3的进出线方式。
为冗余可升级系统,N+X冗余,可根据你需求进行在线升级扩容。
采用无主从并联、多级分散式控制技术,无运行瓶颈、性能可靠。
所有功率模块共享电池组。
具有完善电池管理功能:电池自放电功能、自动进行均浮充转换功能、温度补偿功能、并联充电器自动均流功能。
任一功率模块均具有输入、输出电流平衡分配功能。
整机效率大于95%,逆变电流谐波(THDI)小于3%,输入功率因数(PF)大于0.99。
交流输入采用连续电流模块(CCM)运行,减少对电网干扰(RFI/EMI)。
符合行业规范要求的外形结构,设备体积小,重量轻,可满足普通楼宇承重要求。
可选配输入、输出隔离变压器。
手动维修开关、C级防雷模块、LAN、RS232、RS485/RS422通信通信接口、远程监控软件均为标准配置。

系统组成
CMS系列模块化UPS系统主要由系统机柜、静态开关模块、系统监控模块和1到24个功率模块并联组成。
系统部件介绍
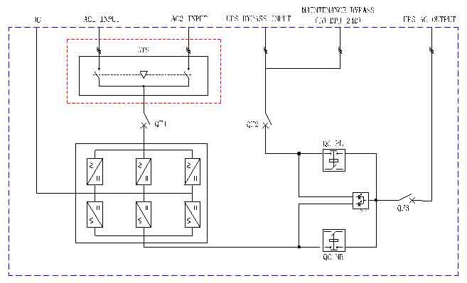
(1)静态开关
静态开关模块主要用于逆变输出和交流旁路电源之间的快速切换,以全面提高系统的供电安全性和可靠性。
静态开关模块接收两组AC输入,选择一组输出,在线工作情况下,静态开关将功率模块逆变输出连接到系统输出上,如果功率模块在某一特定时间内不能够提供足够的电压,静态开关将立即切换到旁路电源。
静态开关采用混合型控制技术,由快速半导体器件(可控硅)和电磁接触器并联组成的高效AC开关,它既解决了切换时间问题,又提高了静态开关的抗冲击和抗短路能力,使系统的可靠性、稳定性大大提高。
静态开关内部具备自检功能;互锁功能;系统输出异常保护功能;瞬间掉电保护功能;输出过载、短路保护功能等。它还具备UART通信功能,可与系统监控、模块单元进行通信,随时发送和接收工作指令及各种告警信息。

CMS静态开关外形图
(2)系统监控
系统监控位于机柜的偏上方,通过显示、操作面板,可以方便地了解系统的工作状态,查询参数及各种事件信息。系统安装完后,用户对系统的所有操作都可以通过监控器的操作面板完成。
系统监控对系统数据采集由双核16位处理器完成。显示器采用240×64,显示清晰靓丽。采用6键导航、3键操作的菜单形式,操作简便灵活。
系统监控可提供RS232、RS485/RS422通讯接口,还有标配SNMP适配器进行远程网络监控及多路干接点输出。

CMS系统监控外形图
系统监控分为三个区域:状态指示灯区域、数据信息显示区、按键操作区。状态指示灯区通过LED的不同状态向用户提供简单的系统状态信息;LCD数据信息显示区通过LCD显示屏向用户提供详细的系统状态信息,总揽信息屏分为:数据区(显示当前、历史的数据或设置)、当前报警区(显示当前系统报警状态)、时钟区(实时显示当前时间),数据区通过系统信息(SYSTEMINFO)、事件记录(EVENTLOG)、参数设置(SETUP)、版本信息(VERSION)四个界面为用户提供友好的的操作平台;按键操作区通过九个按键将用户的指令与系统联系起来,用户操作按键时,LCD显示屏都有相应的信息显示。
(3)功率模块
功率模块采用多制式在线式双变换技术,将市电整流、滤波、稳压后变换为直流电,该直流电在为后级逆变电路供电的同时又对电池组进行充电和管理,后级逆变电路为一高效率的三阶正弦波调制电路,再将直流电重新逆变为交流电,为负载提供稳压、稳频、持续、可靠的电源。其交流输入为三相或单相市电,输出直流为±384V为专用电池组充电,输出交流为三相或单相正弦波交流电压。

CMS功率模块结构图
模块内部具有开机自检功能、交流输入过/欠压保护、交流输出过/欠压保护、输出过载保护、短路保护、过温保护、输出异常自动脱离保护、电池过放电保护等。
模块具备通信功能,可与系统监控器进行通信,随时发送和接收工作指令及各种告警信息。
模块内部具备完整的UPS功能,集整流、逆变、充电和控制于一体,不需要外接同步控制信号或其他控制手段,模块即可正常工作,减少了系统运行瓶颈,提高了可靠性。

CMS功率模块外形图

二、性能特点
CMS系列模块化UPS系统不仅具有并联冗余的特性,可以完全取代传统的1+1、2+1并机系统,而且是一个“绿色电源”方案,具有高输入功率因数、低谐波失真、高效率以及高稳定性和可靠性的优点,配合功能强大的监控软件及全面的通讯界面,适合精密设备及机构,尤其电信、电力行业的应用。
1.冗余性
CMS系统为并联冗余丝瓜视频三级片,三进单出、三进三出、单进单出或单进三出多制式运行。系统由配电单元、系统监控、静态开关以及1~24个功率模块构成,功率模块可采用热插拔模式随意进行扩充、更换。
CMS系统阵列中的所有功率模块平均负担系统负载,各并联模块皆为内置冗余的智能型独立个体,无需系统监控对并联系统集中控制。任何模块发生故障后(包括系统监控),CMS系统的冗余设计便会充分发挥效用,全面保障设备正常运转,实现最大程度的故障冗余,同时用户可根据需要选择超过一次容错率的冗余。
2.扩展性
CMS系统结构极具弹性,功率模块的设计概念是在系统运行时可随意移除和安装而不影响系统的运行及输出,使投资规划实现“随需扩展”,让用户随业务发展实现“动态成长”,既满足了后期设备的随需扩展,又降低了初期购置成本。
3.可用性
CMS系统具有超强的并联功能,是高端UPS技术的领先代表,其平均无故障时间值(MTBF)是传统UPS的1.5倍,平均无重大故障值(MTBCF)是传统UPS系统的3倍,平均修复时间值(MTTR)在系统正常运行状态下仅需5分钟。
4.灵活性
CMS系统的电池组(±384V)由系统中所有UPS模块共享(包括充电和放电)。其可按用户需求使用一组电池或并联多组电池来增加系统备用时间。CMS系统采用灵活的电池接入方式,减少了电池电压和数量,提高了电池组的使用寿命。
5.安全性
CMS系统的功率模块采用三相五线输入。CMS系统在线运行时,无论三进单出、三进三出、单进三出或单进单出工作方式,无论输出的负载是否平衡,输入市电的零线均无电流、无电压,因此可以满足各类关键设备对零地电压的安全要求。
6.环保性
CMS系统的PFC电路使用先进有源平均电流控制技术,可达到输入电流总谐波失真(THDI)只有3%,同时单位输入功因PF=0.99。线性负载条件下,极大降低电网污染,有效减少电网负荷和电源损耗,整机效率高达95%以上,大幅节省能源。
7.管理性
CMS系统内置完善的电源分析及多种通讯接口,配备智能化监控软件,通过各种通信接口与管理员进行双向互动沟通,使管理员随时对系统进行远程监控,对一些异常现象进行预处理,使系统始终平稳可靠运行。
每个模块内部设置专门的充电整流器,可靠性高,无高频杂波,避免高频波对电池寿命的影响;避免电池在充电时过热,延长了电池的使用寿命。
智能化的电池管理:
提供电池自放电功能。对于长期无法进行电池放电操作的系统,可手动进行放电操作。放电过程设有多级保护,在活化电池的同时,保障负载安全。
采用了先进的均、浮充转换技术,根据对电池充电电流的检测及电池容量情况的判断,自动进行均浮充转换,大大节省充电时间,活化电池,从而延长电池使用寿命。
可根据环境温度的变化自动调节浮充电压,最大限度的保证电池的有效容量,延长电池使用寿命。
采用可并联的自动均流的充电器,均流不平衡度<5%,能够满足用户对电池尽快恢复能量储备的渴望。
8.维护性
CMS系统采用了先进的UPS模块热插拔技术,单体模块可任意在线投入或退出并联单元,无需停电操作。实现了并联系统的在线维护,同时该操作无需专门的仪器和技术即可进行。
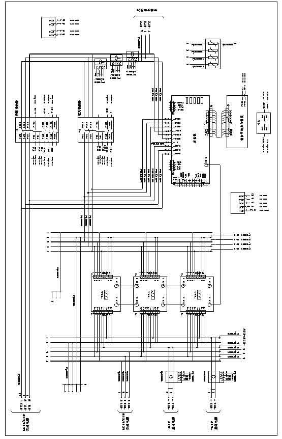
三、系统配电原理图
CMS(60-200KVA)系统配电原理图:

CMS(240-480KVA)系统配电原理图:

地址:北京市密云区高岭镇政府办公楼
王经理 13393261468
Q Q:514468705/1049705527
邮箱:jhcxkj@163.com